立佳机械专业生产立式长轴泵,长轴液下泵,多吸头排污泵,立式液下泵,长轴多级筒袋式凝结水泵,立式长轴循环水泵,餐厨垃圾泵,H系列直角齿轮箱! 收藏本站 英文网站 手机网站 简体/繁體

18507312158
15111351988

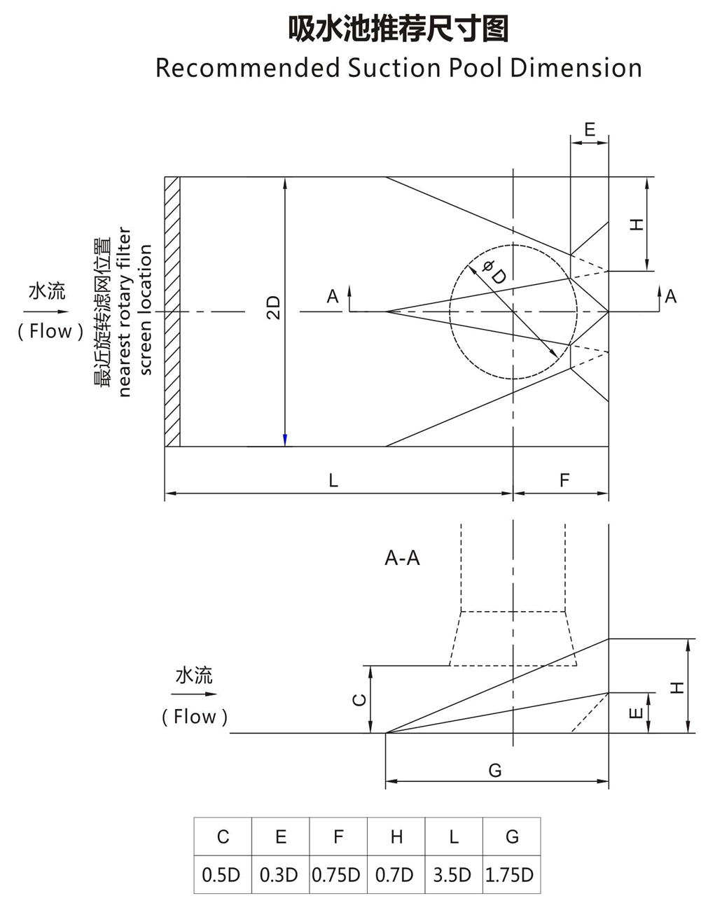
HL型立式长轴斜流泵吸水池推荐尺寸

HL型立式长轴斜流泵吸水池推荐尺寸:HLB、HLBK、HLKT、HLBS、HLKS等长轴泵,立式长轴泵,长轴斜流泵,立式斜流泵,长轴泵吸水池,立式长轴泵吸水池推荐尺寸,仅供参考,以实物为准!

HL型立式长轴斜流泵吸水池推荐尺寸.gif